Бесплатный выезд специалиста и расчет стоимости комплектации.
Монтируете кровлю? Без торцевой планки никуда!
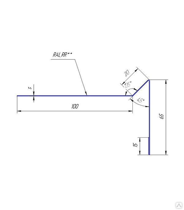
Торцевая планка ― это стандартный элемент отделки кровли. Планка торцевая используется для защиты подкровельного пространства от влаги, мусора и ветра. Монтируется планка после укладки подкладочного ковра, но перед монтажом гибкой черепицы.
Для крепления торцевой и карнизной планки для гибкой черепицы используются ершеные гвозди с широкими шляпками, чтобы в дальнейшем не повредить кровельное покрытие.
Гвозди забиваются в шахматном порядке с шагом в ряду 12–15 см.
От нижнего края гвоздей до ребра планки (края свеса) рекомендуем отступить 2,5–3 см. Такое расстояние позволит впоследствии надежно прикрыть шляпки черепицей. От верхнего края можно отступить 1–2 см.
Характеристики:
Стандартные длины: 1,25м, 2м, 2,5м, 3м.
Изготавливается строго из металла толщиной 0,45мм и выше.
Доступна к заказу в цветах по RALL: 9003, 8017, 5002, 5005, 3005, 3011, 1014, 1015, 7004, 7024, 5021, 6005, 6002. VIKING 8017, 7024.
Как заказать доборные элементы для кровли и фасада?
Выберите на сайте любой из элементов и положите его в корзину, оформите заказ. Он отправиться к нашим менеджерам, которые свяжутся с вами, и уточнит детали, а так же наличие на складе дополнительных элементов кровли, которые вы заказали. Если вы сомневаетесь в выборе, то позвоните нам - консультанты порекомендуют оптимальный выбор для полной комплектации доборных элементов для кровли.
Самовывоз
Условия самовывоза: Документы на получение товара выдаются в офисе продаж по адресу г. Красноярск, ул. Шумяцкого 2А каб.24 (3 этаж). Отгрузка производится с того же адреса : г. Красноярск, ул. Шумяцкого 2А ( Заранее просьба позвонить и уточнить наличие). Получение товара: При получении товаров обязательно распакуйте и проверьте количество и качество по накладной. После подписания накладной, претензии по количеству и качеству полученного товара не принимаются.
График работы :
ПН-ПН с 9:00-18:00 (без перерыва)
СБ, ВС- выходной
-
Красноярск, ул. Шумяцкого, 2, АВход справа с торца главного входа
Доставка транспортной компанией
Условия отгрузки:
1) Мы работаем с большинством транспортных компаний и частными подрядчиками. Гарантируем самые выгодные условия поставки материала в Вашем регионе.
2) Мы рассчитываем точную стоимость доставки которая не изменится. Стоимость доставки можно оплатить как заранее при приобретении материала, так и при получении.
3) Над заявкой работает 1 менеджер, и находится всегда с Вами на связи пока материал не доедет до конечного адреса.
4) Вы оплачиваете только стоимость доставки с ТК до конечного адреса, стоимость доставки от склада до ТК мы берем на себя!
5) При передаче товара на ТК мы его фотографируем и страхуем. Уверяем товар приедет в целостности!
Доставка автопарком компании
К нам не обязательно ехать, чтобы купить тот или иной материал. Достаточно просто позвонить и заказать товары с доставкой! При покупке материала в нашей Компании от 50 000 руб. Доставка по г. Красноярску осуществляется БЕСПЛАТНО!
Условия доставки и сроки: При оформлении доставки в офисе или по телефону вы выбираете дату и удобный временной интервал. Доставляем груз Своим автотранспортом , либо заказываем услуги проверенных Водителей с бортовыми грузовиками 6м, грузовиками с манипуляторами (воровайки).
Получение товара:
Доставка осуществляется в рабочие часы: с 9-18, с ПН-СБ. При получении товаров рекомендуется их распаковать и сверить с заказом, а также убедиться, что товары не повреждены. После подписания накладной, претензии по количеству и качеству полученного товара не принимаются. Стоимость доставки: от 500р в зависимости от удаленности Вашего обьекта и обьема материала
Оплата материала
Наличный расчет
Как производится оплата:
1) в офисе: наличный, безналичный расчет, с НДС, ОНЛАЙН переводом через систему быстрых платей, оплата по платежным картам.
2) доставка по Красноярску транспортом компании: ОНЛАЙН переводом через систему быстрых платежей, безналичный расчет, с НДС.
3) доставка за пределы г. Красноярск: предоплата 100%. ОНЛАЙН переводом через систему быстрых платежей, безналичный расчет, с НДС. Резерв товара и хранение на складе: По неоплаченному счету товар резервируется на срок до 3-х дней. По оплаченному счету
Безналичный расчет
Отгрузка товара производится со склада поставщика, только после поступления денежных средств на расчетный счет !
